Nota
Il presente capitolo non è applicabile per la Germania e la Svizzera a causa dei diversi regolamenti nazionali. Per ulteriori informazioni, contattare l'ufficio Tecnologia prodotti del proprio Paese di residenza!
Il fissaggio tramite graffette di fissaggio fisse e scorrevoli avviene secondo i requisiti statici. Le norme nazionali e gli standard di settore possono presentare disposizioni differenti che devono essere tenute in considerazione. Nelle tabelle seguenti, si possono trovare l’indicazione del numero minimo di graffette di fissaggio [pezzi/m²] a seconda della categoria di esposizione, dell'altezza dell'edificio e della velocità di base del vento.
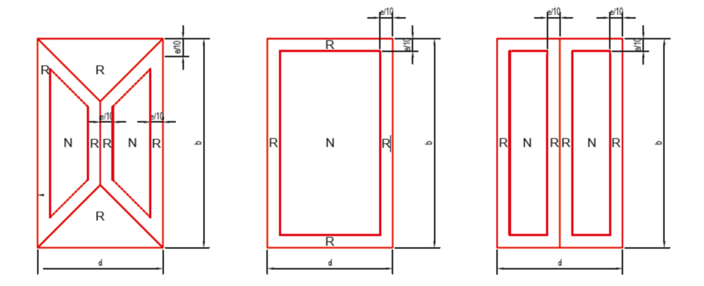
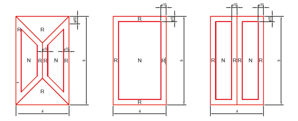
I numeri minimi di graffette indicati tengono conto di un fattore di sicurezza parziale di 1,35 e devono essere intesi come valori determinati in modo teorico. R = area del bordo (coefficiente di pressione esterna, cpe = -2,9), N = area normale (coefficiente di pressione esterna = -1,3).
Zone di categoria II
Pressione velocità di base [kN/m²] |
Velocità di base [m/sec] |
Altezza edificio < 15 [m] |
Altezza edificio 15-30 [m] |
Altezza edificio 30-50 [m] |
N | R [pz./m²] |
N | R [pz./m²] |
N | R [pz./m²] |
||
≤ 0,32 |
≤ 22,5 |
3,7 | 8,2 |
4,3 | 9,7 |
4,9 | 10,9 |
≤ 0,39 |
≤ 25,0 |
4,5 | 10,0 |
5,3 | 11,8 |
6,0 | 13,3 |
≤ 0,47 |
≤ 27,5 |
5,4 | 12,0 |
6,4 | 14,2 |
7,2 | 16,1 |
≤ 0,56 |
≤ 30,0 |
6,4 | 14,3 |
7,6 | 16,9 |
8,6 | 19,1 |
Zone di categoria III
Pressione velocità di base [kN/m²] |
Velocità di base [m/sec] |
Altezza edificio < 15 [m] |
Altezza edificio 15-30 [m] |
Altezza edificio 30-50 [m] |
N | R [pz./m²] |
N | R [pz./m²] |
N | R [pz./m²] |
||
≤ 0,32 |
≤ 22,5 |
3,1 | 7,0 |
3,8 | 8,5 |
4,4 | 9,9 |
≤ 0,39 |
≤ 25,0 |
3,8 | 8,5 |
4,7 | 10,4 |
5,4 | 12,0 |
≤ 0,47 |
≤ 27,5 |
4,6 | 10,2 |
5,6 | 12,5 |
6,5 | 14,5 |
≤ 0,56 |
≤ 30,0 |
5,5 | 12,2 |
6,7 | 14,9 |
7,7 | 17,3 |
Zone di categoria IV
Pressione velocità di base [kN/m²] |
Velocità di base [m/sec] |
Altezza edificio < 15 [m] |
Altezza edificio 15-30 [m] |
Altezza edificio 30-50 [m] |
N | R [pz./m²] |
N | R [pz./m²] |
N | R [pz./m²] |
||
≤ 0,32 |
≤ 22,5 |
2,2 | 5,0 |
2,9 | 6,4 |
3,5 | 7,8 |
≤ 0,39 |
≤ 25,0 |
2,7 | 6,0 |
3,5 | 7,9 |
4,3 | 9,5 |
≤ 0,47 |
≤ 27,5 |
3,3 | 7,3 |
4,2 | 9,5 |
5,2 | 11,5 |
≤ 0,56 |
≤ 30,0 |
3,9 | 8,7 |
5,1 | 11,3 |
6,1 | 13,7 |
I numeri minimi di graffette indicati tengono conto di un fattore di sicurezza parziale di 1,35 e devono essere intesi come valori determinati in modo teorico. R = area del bordo (coefficiente di pressione esterna, cpe = -2,9), N = area normale (coefficiente di pressione esterna = -1,3).
Zone di categoria II
Pressione velocità di base [kN/m²] |
Velocità di base [m/sec] |
Altezza edificio < 15 [m] |
Altezza edificio 15-30 [m] |
Altezza edificio 30-50 [m] |
N | R [pz./m²] |
N | R [pz./m²] |
N | R [pz./m²] |
||
≤ 0,32 |
≤ 22,5 |
4,2 | 9,3 |
4,9 | 10,9 |
5,5 | 12,4 |
≤ 0,39 |
≤ 25,0 |
5,1 | 11,3 |
6,0 | 13,3 |
6,8 | 15,1 |
≤ 0,47 |
≤ 27,5 |
6,1 | 13,6 |
7,2 | 16,1 |
8,1 | 18,2 |
≤ 0,56 |
≤ 30,0 |
7,3 | 16,2 |
8,6 | 19,1 |
9,7 | 21,6 |
Zone di categoria III
Pressione velocità di base [kN/m²] |
Velocità di base [m/sec] |
Altezza edificio < 15 [m] |
Altezza edificio 15-30 [m] |
Altezza edificio 30-50 [m] |
N | R [pz./m²] |
N | R [pz./m²] |
N | R [pz./m²] |
||
≤ 0,32 |
≤ 22,5 |
3,5 | 7,9 |
4,3 | 9,6 |
5,0 | 11,2 |
≤ 0,39 |
≤ 25,0 |
4,3 | 9,6 |
5,3 | 11,7 |
6,1 | 13,6 |
≤ 0,47 |
≤ 27,5 |
5,2 | 11,6 |
6,3 | 14,1 |
7,4 | 16,4 |
≤ 0,56 |
≤ 30,0 |
6,2 | 13,8 |
7,6 | 16,9 |
8,8 | 19,5 |
Zone di categoria IV
Pressione velocità di base [kN/m²] |
Velocità di base [m/sec] |
Altezza edificio < 15 [m] |
Altezza edificio 15-30 [m] |
Altezza edificio 30-50 [m] |
N | R [pz./m²] |
N | R [pz./m²] |
N | R [pz./m²] |
||
≤ 0,32 |
≤ 22,5 |
2,5 | 5,6 |
3,3 | 7,3 |
4,0 | 8,9 |
≤ 0,39 |
≤ 25,0 |
3,1 | 6,8 |
4,0 | 8,9 |
4,8 | 10,8 |
≤ 0,47 |
≤ 27,5 |
3,7 | 8,2 |
4,8 | 10,7 |
5,8 | 13,0 |
≤ 0,56 |
≤ 30,0 |
4,4 | 9,8 |
5,7 | 12,8 |
6,9 | 15,5 |
Nota
Indipendentemente dai valori calcolati, la distanza fra le graffette non deve superare i 330 mm nella zona di posa delle graffette fisse e i 500 mm nella zona di posa delle graffette scorrevoli. Nell'area in cui sono presenti dispositivi fissati sulle aggraffature (trattenuta della neve, sottostruttura per FV, sicurezza sul tetto), la distanza fra le graffette non deve superare i 330 mm!
Calcolo della distanza fra le graffette sulla base della larghezza delle lastre e del numero richiesto di graffette/m².
100 : (larghezza delle lastre [m] × numero di graffette [pz./m²]) = distanza fra le graffette [cm] [max. distanza fra le graffette 50 cm, max. distanza fra le graffette fisse 33 cm]
Nota
e = b oppure 2*h (il valore più piccolo è determinante). La distanza si riferisce alla superficie della base
ed = misura della distanza sulla superficie del tetto; ed= (e/10) / (cos)
b = larghezza massima dell'edificio
h = altezza massima dell'edificio
a = pendenza del tetto
Esempio
Luogo |
Innsbruck |
|---|---|
Edificio in categoria di terreno |
II |
Altezza massima dell'edificio |
10.5 m |
Velocità di base |
27,1 m/sec |
Max. Larghezza max. delle lastre in base alla tabella 1 |
43 cm |
Numero di graffette per area bordo in base alla tabella 2 |
12,0 pz./m² |
Numero di graffette per area normale in base alla tabella 2 |
5,4 pz./m² |
Area del bordo (R) = 100 : (0,43 m × 12,0 pz./m²) = 19,4 cm → 19 cm di distanza fra le graffette [max. distanza fra le graffette 50 cm, max. distanza fra le graffette fisse 33 cm]
Area normale (N) = 100 : (0,43 m × 5,4 pz./m²) = 43,1 cm → 43 e 33 cm di distanza fra le graffette [max. distanza fra le graffette 50 cm, max. distanza fra le graffette fisse 33 cm]
È possibile scaricare solo i contenuti di una categoria di prodotti. Se avete bisogno di contenuti di più categorie, create un download separato per ogni area di prodotti.