Ispirazioni panoramica Referenze Configuratore per case Fotomontaggio Consigli di costruzione
Prodotti panoramica Tetto Facciata Smaltimento acque piovane Solar Diga Nastri & lastre
Servizi panoramica Configuratore per case Fotomontaggio Materiale informativo Trova gli artigiani nella tua zona Richiedi certificato di garanzia Eventi e fiere Domande & risposte per installatori per architetti
Vantaggi panoramica Materiale per la costruzione alluminio Temi speciali
Impresa panoramica Chi siamo Lavora con noi News Eventi e fiere
Contatti panoramica Il tuo referente Modulo di contatto Materiale informativo Iscriviti alla newsletter I PREFA
Referenze panoramica Referenze Progetti di architettura Galleria ristrutturazioni
Consigli di costruzione panoramica Ristrutturazione del tetto Realizzazione della facciata Legno e alluminio per facciate Copertura del tetto per ogni forma Fotovoltaico in breve Tetto in alluminio, estetica laterizio
per installatori panoramica Il mio login PREFA Cos'è la Academy Academy Installatori Istruzioni di posa & Video Assistenza in cantiere Materiale pubblicitario, loghi & campioni
per architetti panoramica Concorso PREFA 80 Scopri le PREFARENZEN Ordina l’esclusivo libro degli architetti & la documentazione architetti Academy Progettisti Downloadcenter BIM
Materiale per la costruzione alluminio panoramica 40 anni di garanzia Sostenibilità Sistema completo Resistente alle intemperie
Temi speciali panoramica Infiammabilità Belle Arti Salsedine
Chi siamo panoramica Numeri e fatti I nostri valori e obiettivi Sostenibilità
Lavora con noi panoramica Offerte di lavoro PREFA come datore di lavoro
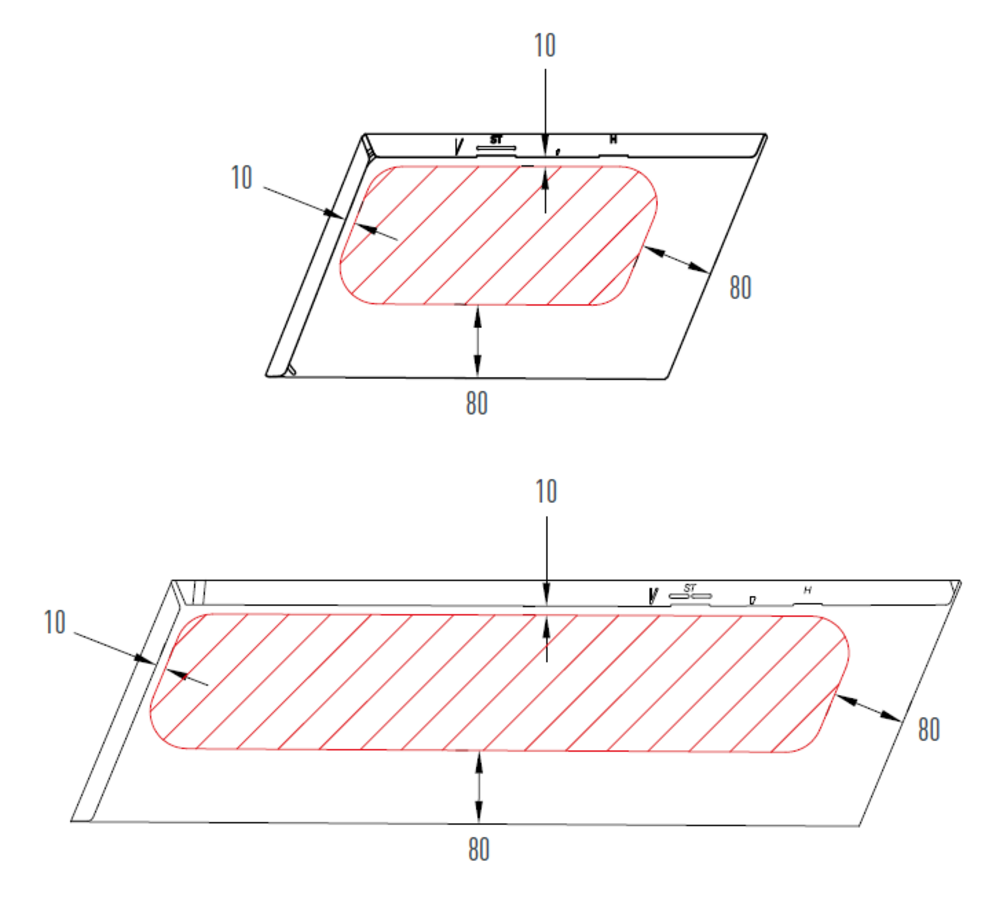
Se vengono montati oggetti sulla facciata (ad esempio delle lampade), al momento del montaggio, prestare attenzione al posizionamento consentito delle scandole. Se non è possibile rispettare la zona di posa, è necessario aggraffare una sottopiastra.
È possibile scaricare solo i contenuti di una categoria di prodotti. Se avete bisogno di contenuti di più categorie, create un download separato per ogni area di prodotti.